
佛山市黄瓜视频APP污下载传感仪器有限公司
联系人:张总
电话:0757-22300095
手机:18902563858
邮箱:931199351@qq.com
传真:0757-22300097
地址:广东省佛山市顺德区勒流富安工业区光电产业园4栋303号
网址:www.cnysjt.com
各种加工设备、自动机床、电动机、发动机、内燃机等旋转动力设备,以及铁路机车、工业风机、水泵、齿轮箱、扭力板手的扭矩和功率的检测。
· 电阻应变为敏感元件和集成电路构成的一体产品,精度高,抗干扰,性能稳定可靠
· 没有集流环等磨损件,可高速长时间运转,输出正反转扭矩信号
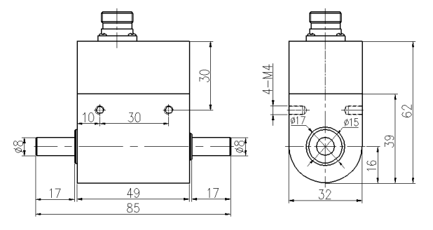
· 两端均为键连接,安装使用方便
· 转速可达1800转/分钟
量程 | 0-0.1,0.2,0.3,0.5,1-5Nm | 输出电阻 | 700±5Ω |
灵敏度 | 1-1.5 mV / V | 绝缘电阻 | ≥5000MΩ/ 100VDC |
零点输出 | ±2% F.S. | 激励电压 | 10-15VDC |
非线性 | ±0.1,0.3% F.S. | 温度补偿范围 | -10 ~ 60℃ |
滞后 | ≤±0.05% F.S. | 工作温度范围 | -20 ~ 65℃ |
重复性 | ≤±0.05% F.S | 安全超载 | 150% F.S. |
蠕变 | ≤±0.03% F.S/30min | 极限超载 | 200% F.S. |
温度灵敏度漂移 | 0.03% F.S. / 10℃ | 电缆线尺寸 | Ø5.2×3m |
零点温度漂移 | 0.03% F.S. / 10℃ | 电气连接 | 红/E+,黑/E-,绿/S+,白/S- |
输入电阻 | 750±10Ω | 材质 | 不锈钢或合金钢 |
