
佛山市黄瓜视频APP污下载传感仪器有限公司
联系人:张总
电话:0757-22300095
手机:18902563858
邮箱:931199351@qq.com
传真:0757-22300097
地址:广东省佛山市顺德区勒流富安工业区光电产业园4栋303号
网址:www.cnysjt.com
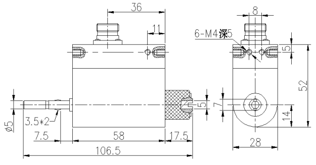
HDN-1030螺丝电批扭矩传感器">扭矩传感器主要应用于电动螺丝刀的扭矩测量,也可以用于各种微型加工设备、自动机床、电动机、发动机、内燃机等旋转动力设备,以及铁路机车、工业风机、水泵、齿轮箱、扭力板手的扭矩和功率的检测。
· 电阻应变式原理,精度高,性能稳定可靠
· 输出正反转扭矩信号
· 与螺丝电批(电动螺丝刀)方便连接
· 转速可达1800转/分钟
量程 | 0-10Nm | 输出电阻 | 350±5,700±5Ω |
灵敏度 | 1.5±10% mV / V | 绝缘电阻 | ≥5000MΩ/ 100VDC |
零点输出 | ±1% F.S. | 激励电压 | 5-12VDC |
非线性 | ±0.1,0.2,0.5% F.S. | 温度补偿范围 | -10 ~ 60ºC |
滞后 | ≤±0.05% F.S. | 工作温度范围 | -20 ~ 80ºC |
重复性 | ≤±0.05% F.S | 安全超载 | 150% F.S. |
蠕变 | ≤±0.03% F.S/30min | 极限超载 | 200% F.S. |
温度灵敏度漂移 | 0.03% F.S. / 10℃ | 电缆线尺寸 | Ø5.2×3m |
零点温度漂移 | 0.03% F.S. / 10℃ | 电气连接 | 红/E+,黑/E-,绿/S+,白/S- |
输入电阻 | 380±10,750±10Ω | 材质 | 不锈钢 |
输出电阻 | 350±10,700±5Ω | 其它要求 | 可定制 |
