
佛山市黄瓜视频APP污下载传感仪器有限公司
联系人:张总
电话:0757-22300095
手机:18902563858
邮箱:931199351@qq.com
传真:0757-22300097
地址:广东省佛山市顺德区勒流富安工业区光电产业园4栋303号
网址:www.cnysjt.com
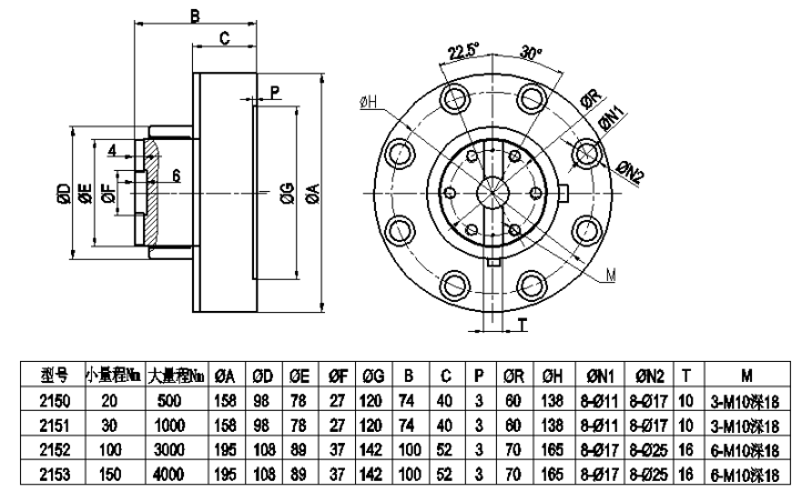
HDN-2150双量程静态扭矩传感器适用于电动机、内燃机等旋转设备以及铁路机车等机械的扭矩和功率的检测。
· 电阻应变式原理,精度高,性能稳定可靠,大量程扭矩测量,安装使用方便
· 双量程静态扭矩测量
· 一端为键法兰连接,一端为法兰盘连接
量程 | 0-20,100,1000,3000,4000Nm等 | 输出电阻 | 700±5Ω |
灵敏度 | 1.5±10% mV / V | 绝缘电阻 | ≥5000MΩ/ 100VDC |
零点输出 | ±2% F.S. | 激励电压 | 10-15VDC |
非线性 | ±0.1,0.3% F.S. | 温度补偿范围 | -10 ~ 60℃ |
滞后 | ≤±0.05% F.S. | 工作温度范围 | -20 ~ 65℃ |
重复性 | ≤±0.05% F.S | 安全超载 | 150% F.S. |
蠕变 | ≤±0.03% F.S/30min | 极限超载 | 200% F.S. |
温度灵敏度漂移 | 0.03% F.S. / 10℃ | 电缆线尺寸 | Ø5.2×3m |
零点温度漂移 | 0.03% F.S. / 10℃ | 电气连接 | 红/E+,黑/E-,绿/S+,白/S- |
输入电阻 | 750±10Ω | 材质 | 不锈钢或合金钢 |
输出电阻 | 700±5Ω | 其它要求 | 可定制 |
