
佛山市黄瓜视频APP污下载传感仪器有限公司
联系人:张总
电话:0757-22300095
手机:18902563858
邮箱:931199351@qq.com
传真:0757-22300097
地址:广东省佛山市顺德区勒流富安工业区光电产业园4栋303号
网址:www.cnysjt.com
各种加工设备、自动机床、电动机、发动机、内燃机等旋转动力设备,以及铁路机车、工业风机、水泵、齿轮箱、扭力板手的扭矩和功率的检测。
· 电阻应变为敏感元件和集成电路构成的一体产品,精度高,抗干扰,性能稳定可靠
· 没有集流环等磨损件,可高速长时间运转,输出正反转扭矩信号
· 两端均为键连接,安装使用方便
· 转速可达1800转/分钟
量程 | 5,100,500,1000,2000,5000Nm | 输出电阻 | 100μS |
灵敏度 | 1.5±10% mV / V | 绝缘电阻 | ≥5000MΩ/ 100VDC |
零点输出 | ±1% F.S. | 激励电压 | 10VDC(9-15VDC) |
非线性 | ±0.1,0.3% F.S. | 温度补偿范围 | -10 ~ 60℃ |
滞后 | ≤±0.05% F.S. | 工作温度范围 | -20 ~ 65℃ |
重复性 | ≤±0.05% F.S | 安全超载 | 150% F.S. |
蠕变 | ≤±0.03% F.S/30min | 极限超载 | 200% F.S. |
温度灵敏度漂移 | 0.03% F.S. / 10℃ | 电缆线尺寸 | Ø5.2×3m |
零点温度漂移 | 0.03% F.S. / 10℃ | 电气连接 | 红/E+,黑/E-,绿/S+,白/S- |
输入电阻 | 350,750±10Ω | 材质 | 铝,不锈钢或合金钢 |
输出电阻 | 350,700±5Ω | 其它要求 | 可定制 |


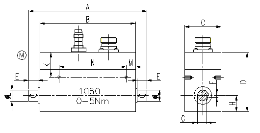
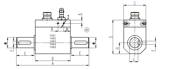
型号 | 量程Nm | A | B | C | D | E | F | G | H | K | φL | N | M | T | 适用转速 |
HDN-1060 | 5 | 104 | 84 | 32 | 52 | 8.5 | 3 | 8.2 | 14 | 22 | 10 | 59 | 8 | 4-M3*6 | 1000转/分 |
HDN-1061 | 100 | 124 | 60 | 38 | 58 | 30 | 6 | 14.5 | 19 | 6 | 18 | 10 | 11 | 4-M3*10 | 1000转/分 |
HDN-1062 | 500 | 159 | 73 | 53 | 73.5 | 40 | 8 | 24 | 27 | 17 | 28 | 15 | 12 | 4-M3*10 | 1000转/分 |
HDN-1063 | 1000 | 249 | 125 | 90 | 125 | 60 | 16 | 44 | 45 | 28 | 50 | 25 | 14 | 4-M3*12 | 200转/分 |
HDN-1064 | 2000 | 398 | 132 | 95 | 128 | 80 | 16 | 49 | 47.5 | 28 | 55 | 25 | 22 | 4-M3*12 | 200转/分 |
HDN-1065 | 5000 | 367 | 157 | 139 | 171 | 100 | 22 | 66 | 67.5 | 30 | 75 | 30 | 22 | 4-M3*12 | 200转/分 |